優質的服務流程
· quality of service processes ·

需求溝通傾聽客戶需求,了解用戶使用環境和現場工況
方案設計根據現場實際工況,針對性出具解決方案
合同簽訂技術和商務規范確認,簽訂合作協議
產品制作選擇最優質的元器件,嚴格按照技術協議
調試安裝現場規范安裝,靜態動態調試,分析儀運行
售后服務后續維護,持續跟進,終身維修

全國熱線
銷售熱線
公司地址山東濟南(nan)市槐蔭區太平(ping)河南(nan)路1567號(hao)均和云谷濟南(nan)匯智港6號(hao)樓(lou)
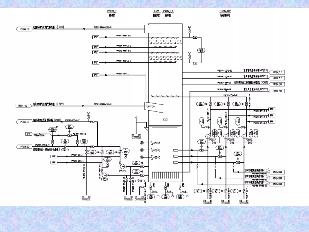
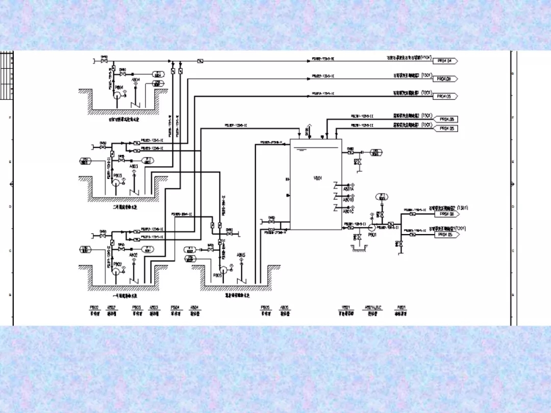
濕式(shi)石灰(hui)石石膏法煙氣脫硫設計方法及過程
濕法脫硫設計
1、物(wu)料平衡計算(suan):建立物(wu)料平衡表
煙(yan)氣平衡
脫(tuo)硫劑(脫(tuo)硫產物)平衡
水平衡


脫硫劑的選取
脫硫(liu)劑(ji)礦源位(wei)
脫硫劑(ji)的物理化學(xue)特性(xing):真實密度(du)、堆(dui)積密度(du)、粒徑分(fen)布、空隙率、分(fen)形(xing)、比表面積、活性(xing)、吸硫特性(xing)
影響脫硫劑吸硫特性的因素(su):水份、溫度(du)、濃(nong)度(du)、脫硫劑物理特性



?


2、建(jian)立(li)工藝(yi)流程圖
與物料平衡表同時





3、關(guan)鍵控制(zhi)回路(lu)
煙氣量、煙氣中二氧化硫(liu)濃度(du)及鈣硫(liu)比控(kong)制進漿(jiang)量
pH值調節





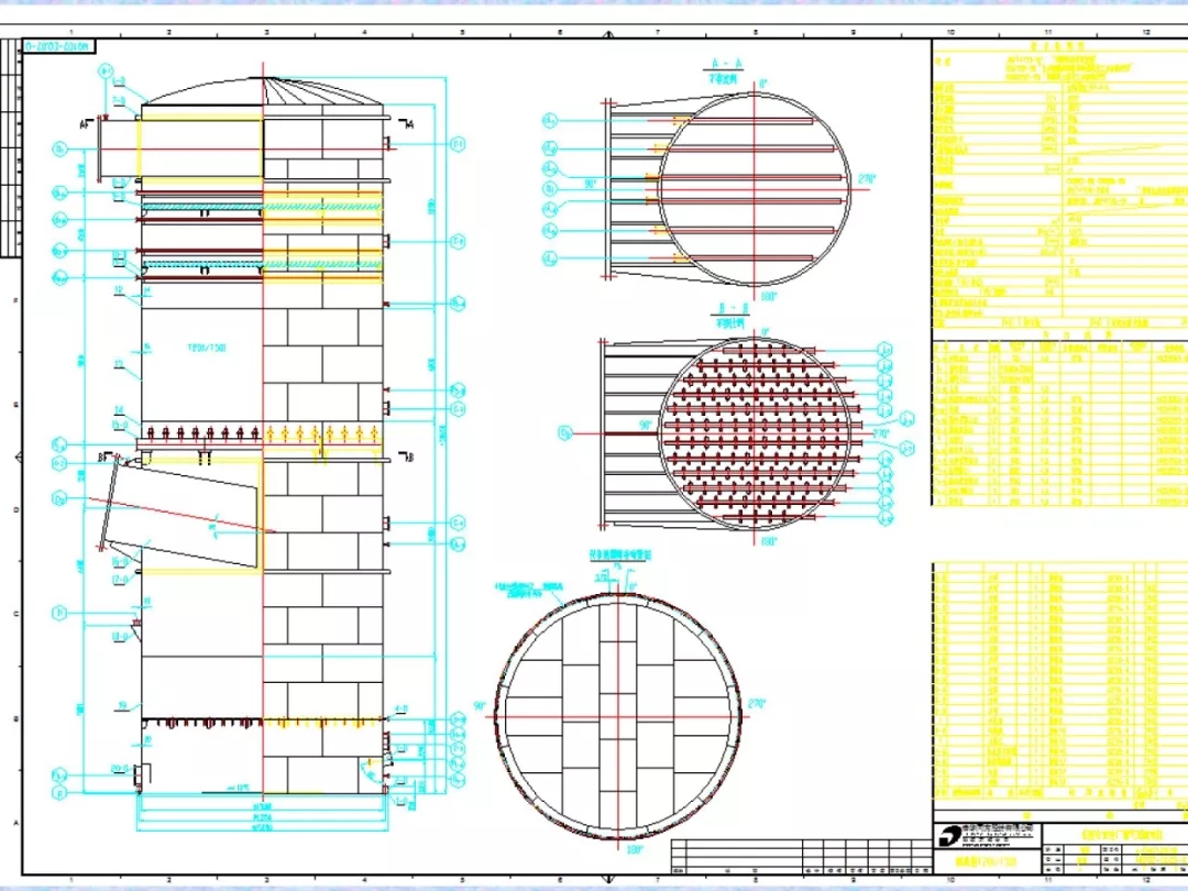
4、脫硫(liu)反應塔
上(shang)升(sheng)速度
停留時間
液氣比
pH值
循(xun)環漿液濃度
脫(tuo)硫能力
攪拌
防腐(fu)蝕(shi)
防堵(du)塞(sai)






煙氣脫硫過程設(she)計計算



















新澤CEMS在線(xian)分析的(de)可靠(kao)性,主要(yao)(yao)決定于測量(liang)儀表(biao)及樣(yang)品處理系(xi)(xi)統(tong)的(de)設計(ji)選型及配置,測量(liang)儀表(biao)及系(xi)(xi)統(tong)部件的(de)選型必(bi)須適用、可靠(kao),材質必(bi)須滿足防腐蝕要(yao)(yao)求。例如,與煙氣(qi)(qi)(qi)(qi)接觸的(de)管道(dao)及部件必(bi)須選用耐腐蝕的(de)聚四氟乙烯或(huo)316不銹鋼材質,探頭(tou)、取(qu)樣(yang)泵、除濕(shi)器等必(bi)須耐腐蝕。系(xi)(xi)統(tong)安裝(zhuang)調(diao)試(shi)中,特別注意(yi)確保(bao)(bao)煙氣(qi)(qi)(qi)(qi)采樣(yang)、傳輸中要(yao)(yao)加熱保(bao)(bao)溫在煙氣(qi)(qi)(qi)(qi)露點之上,同時(shi)要(yao)(yao)保(bao)(bao)證(zheng)煙氣(qi)(qi)(qi)(qi)除濕(shi)過程(cheng)的(de)快速除水,避免被(bei)測組分被(bei)水分吸收而流失,以確保(bao)(bao)樣(yang)氣(qi)(qi)(qi)(qi)的(de)真實性。歡迎咨詢!


需求溝通傾聽客戶需求,了解用戶使用環境和現場工況
方案設計根據現場實際工況,針對性出具解決方案
合同簽訂技術和商務規范確認,簽訂合作協議
產品制作選擇最優質的元器件,嚴格按照技術協議
調試安裝現場規范安裝,靜態動態調試,分析儀運行
售后服務后續維護,持續跟進,終身維修